86-139-1681-7899




klasifikasyon: Kurutma ekipmanları
tanıştırma: rne Genel BakışTek Konili Vakumlu Kurutucu, bir tr karıştırma tipi kapalı vakumlu kurutucudur. Ceketli tek konili vakumlu kapalı bir tank tarafından, malzemeyi srekli olarak dndrerek bulama karıştırılarak ısıtılır, bylece malzeme kurut…
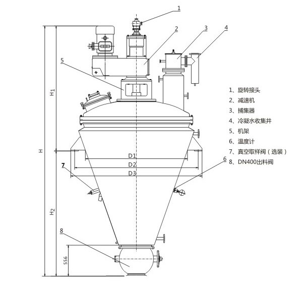
86-139-1681-7899 Tek Konili Vakumlu Kurutucu, bir tür karıştırma tipi kapalı vakumlu kurutucudur. Ceketli tek konili vakumlu kapalı bir tank tarafından, malzemeyi sürekli olarak döndürerek bulamaç karıştırılarak ısıtılır, böylece malzeme kurutma amacına ulaşmak için malzeme eşit şekilde ısıtılır, su veya çözücü buharlaştırılır. Ekipman, tek konili tank tasarımı, sıhhi paslanmaz çelik imalat, basit yapı, kullanımı kolay benimser. Toplu tip bir boşluk kurutma işlemi, ölü açı olmadan temizleme, ilaç, biyolojik, kimyasal, gıda ve diğer endüstrilerde yaygın olarak kullanılan ince kurutma paketi atölyesinin GMP gerekliliklerine uygun bir tür ideal kurutma ekipmanıdır. toz, filtre keki, kristaller ve sıvılar, konsantrasyon, kurutma, buharlaştırma ve çözücü geri kazanım işlemleri.
| Model\Item | birim (ölçü birimi) | DZLG-500 | DZLG-750 | DZLG-1000 | DZLG-1250 | DZLG-1500 | DZLG-2000 | DZLG-3000 | DZLG-4000 |
| etkili hacim | L | 500 | 750 | 1000 | 1250 | 1500 | 2000 | 3000 | 4000 |
| tam ses | L | 650 | 800 | 1220 | 1600 | 1900 | 2460 | 3680 | 4890 |
| Isıtma alanı | ㎡ | 4.1 | 5.2 | 7.2 | 9.1 | 10.6 | 13 | 19 | 22 |
| Motor gücü | KW | 11 | 11 | 15 | 15 | 18.5 | 22 | 30 | 37 |
| Ekipmanın net ağırlığı | KG | 1350 | 1850 | 2300 | 2600 | 2900 | 3600 | 4100 | 4450 |
| karıştırma hızı | rpm | 50 | 45 | 40 | 38 | 36 | 36 | 34 | 32 |
| Ekipmanın toplam yüksekliği | m | 3565 | 3720 | 4165 | 4360 | 4590 | 4920 | 5160 | 5520 |
| Konteyner yüksekliği | H3 | 1455 | 1610 | 1965 | 2160 | 2300 | 2590 | 2380 | 3160 |
| Kulak Tutucu Yüksekliği | H4 | 895 | 995 | 1315 | 1480 | 1630 | 1860 | 1900 | 2240 |
| Tava iç genişliği | D2 | 1100 | 1200 | 1400 | 1500 | 1600 | 1750 | 2100 | 2100 |
| Montaj Pabucu Genişliği | D3 | 1270 | 1350 | 1560 | 1720 | 1900 | 2050 | 2400 | 2450 |
Önceki: SRQ Serisi Radyatörler
Sonraki: Jet Mill
Ekran fotoğrafını al ve QR kodunu tanıyın
MGM Makine